Si Ribbon
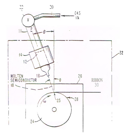
The invention provides a method for fabricating large grain (LG) semiconductor ribbons suitable for use in solar cells. A molten semiconductor material is discharged onto a rotating cylindrical surface. The method produces ribbons with an average grain size of about 20 microns and greater, and with a coherent oxide.
*Solar-Tectic LLC has no rights to this invention. The patent for this invention has expired and is therefore available to the general public for use.
U.S. Patent: 4,515,650 May 7, 1985

